


※ 보라색으로 표기된 제품의 수치는 최신 발간행 이후 수치가 변경 된 항목이니 확인해 주시기 바랍니다.
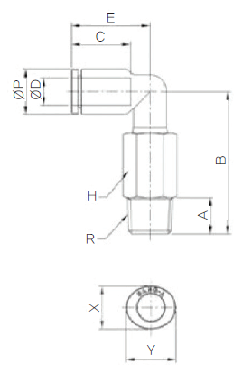
| CODE | MODEL | øD | R | ØP | A | B | C | E | H | X | Y | Orifice (ømm) | W.G(g) | Q'ty/ inbox | Auto CAD MDT(3D) | Auto CAD R14(2D) | |
|---|---|---|---|---|---|---|---|---|---|---|---|---|---|---|---|---|---|
| STEP | DWG | ||||||||||||||||
| 11470401 | GPLL 04M3(L) | 4 | M3 | 9 | 3 | 30.3 | 14.5 | 17.1 | 9 | 8.6 | 10.8 | 1.2 | 9.6 | 100 | [로그인] | [로그인] | [로그인] |
| 11470402 | GPLL 04M5(L) | 4 | M5 | 9 | 4 | 30.3 | 14.5 | 17.1 | 9 | 8.6 | 10.8 | 2 | 9.6 | 100 | [로그인] | [로그인] | [로그인] |
| 11470403 | GPLL 04M6(L) | 4 | M6 | 9 | 5 | 31.3 | 14.5 | 17.1 | 9 | 8.6 | 10.8 | 3 | 10.1 | 100 | [로그인] | [로그인] | [로그인] |
| 11470411 | GPLL 0401(L) | 4 | R1/8 | 9 | 8 | 33.5 | 14.5 | 17.1 | 10 | 8.6 | 10.8 | 3.2 | 13.4 | 50 | [로그인] | [로그인] | [로그인] |
| 11470412 | GPLL 0402(L) | 4 | R1/4 | 9 | 11 | 36.5 | 14.5 | 17.1 | 14 | 8.6 | 10.8 | 3.2 | 28.2 | 50 | [로그인] | [로그인] | [로그인] |
| 11470413 | GPLL 0403(L) | 4 | R3/8 | 9 | 12 | 37.5 | 14.5 | 17.1 | 17 | 8.6 | 10.8 | 3.2 | 40.4 | 50 | [로그인] | [로그인] | [로그인] |
| 11470602 | GPLL 06M5(L) | 6 | M5 | 11.2 | 4 | 31.9 | 15.5 | 18 | 9 | 11 | 13 | 2 | 10.6 | 50 | [로그인] | [로그인] | [로그인] |
| 11470603 | GPLL 06M6(L) | 6 | M6 | 11.2 | 5 | 32.9 | 15.5 | 18 | 9 | 11 | 13 | 3 | 11.1 | 50 | [로그인] | [로그인] | [로그인] |
| 11470611 | GPLL 0601(L) | 6 | R1/8 | 11.2 | 8 | 35.1 | 15.5 | 18 | 10 | 11 | 13 | 4 | 14.4 | 50 | [로그인] | [로그인] | [로그인] |
| 11470612 | GPLL 0602(L) | 6 | R1/4 | 11.2 | 11 | 38.1 | 15.5 | 18 | 14 | 11 | 13 | 4 | 29.2 | 50 | [로그인] | [로그인] | [로그인] |
| 11470613 | GPLL 0603(L) | 6 | R3/8 | 11.2 | 12 | 39.1 | 15.5 | 18 | 17 | 11 | 13 | 4 | 41.4 | 50 | [로그인] | [로그인] | [로그인] |
| 11470811 | GPLL 0801(L) | 8 | R1/8 | 13.6 | 8 | 40.3 | 17.8 | 23.6 | 10 | 13 | 15 | 5.5 | 16.7 | 50 | [로그인] | [로그인] | [로그인] |
| 11470812 | GPLL 0802(L) | 8 | R1/4 | 13.6 | 11 | 42.8 | 17.8 | 23.6 | 14 | 13 | 15 | 5.5 | 32.4 | 50 | [로그인] | [로그인] | [로그인] |
| 11470813 | GPLL 0803(L) | 8 | R3/8 | 13.6 | 12 | 43.8 | 17.8 | 23.6 | 17 | 13 | 15 | 5.5 | 45.3 | 25 | [로그인] | [로그인] | [로그인] |
| 11470814 | GPLL 0804(L) | 8 | R1/2 | 13.6 | 15 | 47.8 | 17.8 | 23.6 | 21 | 13 | 15 | 5.5 | 76.3 | 20 | [로그인] | [로그인] | [로그인] |
| 11471011 | GPLL 1001(L) | 10 | R1/8 | 16.3 | 8 | 50.85 | 19.4 | 25 | 17 | 16 | 18.5 | 6 | 50.6 | 25 | [로그인] | [로그인] | [로그인] |
| 11471012 | GPLL 1002(L) | 10 | R1/4 | 16.3 | 11 | 53.85 | 19.4 | 25 | 17 | 16 | 18.5 | 8 | 54.6 | 25 | [로그인] | [로그인] | [로그인] |
| 11471013 | GPLL 1003(L) | 10 | R3/8 | 16.3 | 12 | 53.35 | 19.4 | 25 | 17 | 16 | 18.5 | 9 | 53.5 | 25 | [로그인] | [로그인] | [로그인] |
| 11471014 | GPLL 1004(L) | 10 | R1/2 | 16.3 | 15 | 56.35 | 19.4 | 25 | 21 | 16 | 18.5 | 9 | 86.4 | 20 | [로그인] | [로그인] | [로그인] |
| 11471211 | GPLL 1201(L) | 12 | R1/8 | 19.7 | 8 | 52.55 | 22.4 | 32.2 | 17 | 19.5 | 22.5 | 6 | 55.7 | 25 | [로그인] | [로그인] | [로그인] |
| 11471212 | GPLL 1202(L) | 12 | R1/4 | 19.7 | 11 | 55.55 | 22.4 | 32.2 | 17 | 19.5 | 22.5 | 8 | 59.7 | 25 | [로그인] | [로그인] | [로그인] |
| 11471213 | GPLL 1203(L) | 12 | R3/8 | 19.7 | 12 | 55.05 | 22.4 | 32.2 | 17 | 19.5 | 22.5 | 9.5 | 58.6 | 20 | [로그인] | [로그인] | [로그인] |
| 11471214 | GPLL 1204(L) | 12 | R1/2 | 19.7 | 15 | 58.05 | 22.4 | 32.2 | 21 | 19.5 | 22.5 | 9.5 | 91.5 | 20 | [로그인] | [로그인] | [로그인] |
상아뉴매틱, 원터치피팅, GPLL(L), 밸브, 원터치, 배관피팅, 유공압피팅, PT나사피팅, 산업용피팅, 유압배관, 배관연결부품

